Neue Artikel
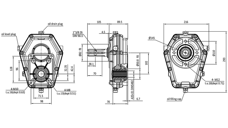
ÜBERSETZUNGSGETRIEBE GR.3 -1:3,8 ZAPFWELLE STUMMEL
Artikel Nummer
10131
OEM:
9990000000661
Steuersatz
22 %
Preis exklusive Mehrwertsteuer:
118,85 EUR
Preis inklusive Mehrwertsteuer:
145,00 EUR
Ref:
252
VERWENDUNG:
Dir Übersetzungsgetriebe verwendet man um die Pumpenumdrehungen zu Vergrößern und infolgedessen auch den Durchfluss der Pumpe.
Am meisten verwendet man die Getriebe bei Spaltern, Heuladern und anderen Maschinen.
Im Grunde kennen wir zwei Ausführungen, mit Zapfwelle-Stummel und mit der Muffe mit Schutzstift für direkte Befestigung auf die Traktorzapfwelle.

Lieferant:
Italien
Ausgangsmoment:
11,5 daNm
Rückerstattung oder Umtausch:
14 Tage
Vorfüllung:
max. 3000 U/min
Für Pumpe:
43,7 daNm
Hebelgewinde:
11,5 daNm
Produkt gewicht:
8,1 kg
Max. einstellbarer Druck:
540 U/min
Zwischenschrauben Distanz:
2057 U/min
Ventiltyp:
1:3.8
Garantie:
6 Monate
Ausgang Umdrehungen:
2057 umd/min
Eingangmoment:
43,7 daNm
Für Belastungen:
20 kW
Betrieb Temperatur:
von -20°C bis +180°C
Eingang Umdrehungen:
540 umd/min
Max. Spanung:
20 kW
Übertragung Verhältnis:
1:3,8










