Novi artikli
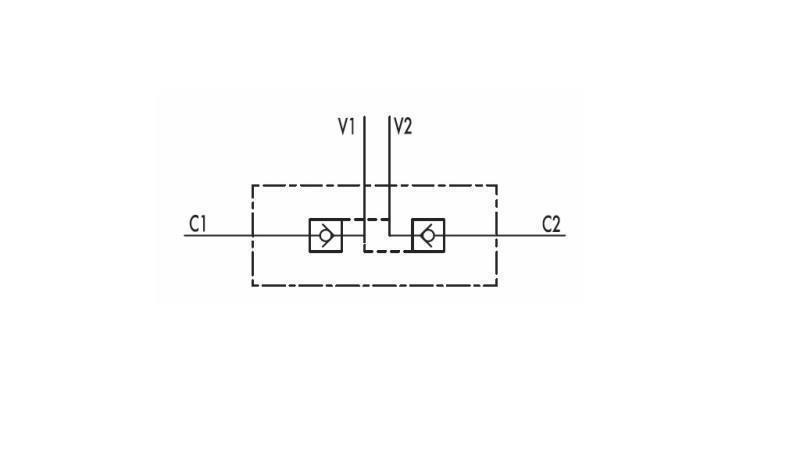
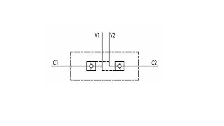
BLOK VENTIL VBPDE 3/8 - 35lit
Šifra:
10425
OEM:
9990000003518
Stopnja davka
22 %
Cena brez DDV:
12,30 EUR
Cena z DDV:
15,00 EUR
Ref:
360
Dobavitelj:
Italija
Maksimalni tlak:
350 bar
Vračilo ali menjava:
14 dni
Teža izdelka:
0,628 kg
Garancija:
6 mesecev
Max. pretok:
35 l/min
Zaščita:
cinkan








