Nové produkty
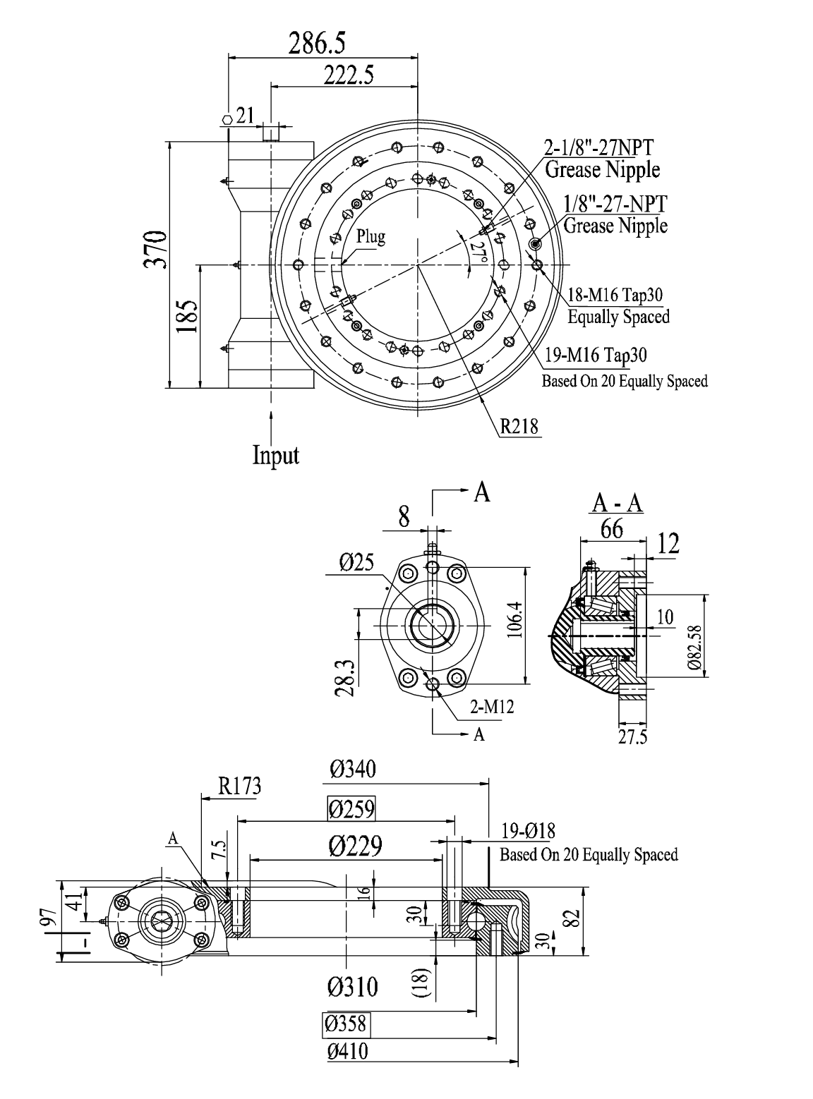
SERIÁL POLOŽNÍHO PŘEVODU ROTÁRNÍHO POHONU WE HP WE12-79-25H-R


Popis:
Rotární pohon je jednotka připravená k instalaci, která zahrnuje kuličkový nebo válečkový rotární kroužek pro manipulaci se současnými axiálními a radiálními momenty, jakož i momenty naklánění, a hydraulický motor s uzavřeným pouzdrem. Během provozu převodník převádí axiální pohyb (síla působící na osu) na radiální/rotační moment, což umožňuje otáčení větších nákladů s větší přesností a také umožňuje zesílení momentu pomocí převodu.
Rotární šroubový pohon je vhodný pro zařízení s vysokým točivým momentem s kontinuálním nebo cyklickým pohybem schopným nést kombinované zatížení. Rotární pohon může být použit pro hlavní stroj, který vykonává kruhový pohyb, jako je otočný stůl jeřábu, rotární stroje, rotátory vysokozdvižných vozíků a některé stroje, které vykonávají kruhovou práci.








