Nové produkty
SERIE POLOŽNÍHO PŘEVODU ROTÁRNÍHO POHONU WE HP WE14-86-25H-R


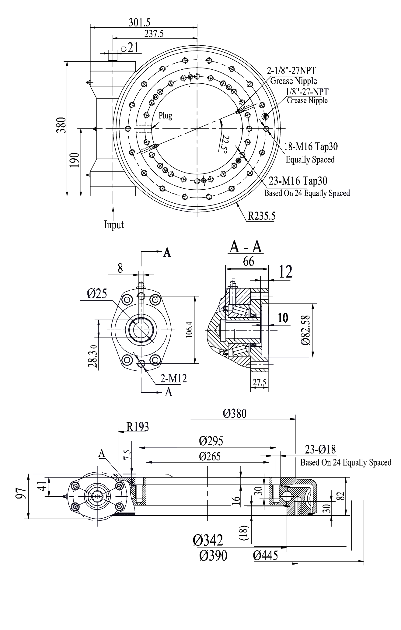
Popis:
Rotární pohon je jednotka připravená k instalaci, která zahrnuje kuličkový nebo válečkový rotární kroužek pro manipulaci se současnými axiálními a radiálními momenty, stejně jako momenty naklápění, a hydraulický motor s uzavřeným pouzdrem. Během provozu převodník převádí axiální pohyb (síla působící na osu) na radiální/rotační točivý moment, což umožňuje otáčení větších nákladů s větší přesností a také umožňuje zesílení točivého momentu pomocí převodu.
Rotární pohon s šroubovicí je vhodný pro rotující zařízení s vysokým točivým momentem s kontinuálním nebo cyklickým pohybem, které je schopné nést kombinované zatížení. Rotární pohon může být použit pro hlavní stroj, který vykonává kruhový pohyb, jako je otočný stůl jeřábu, rotující stroje, rotátory vysokozdvižných vozíků a některé stroje, které vykonávají kruhovou práci.








