Nové produkty
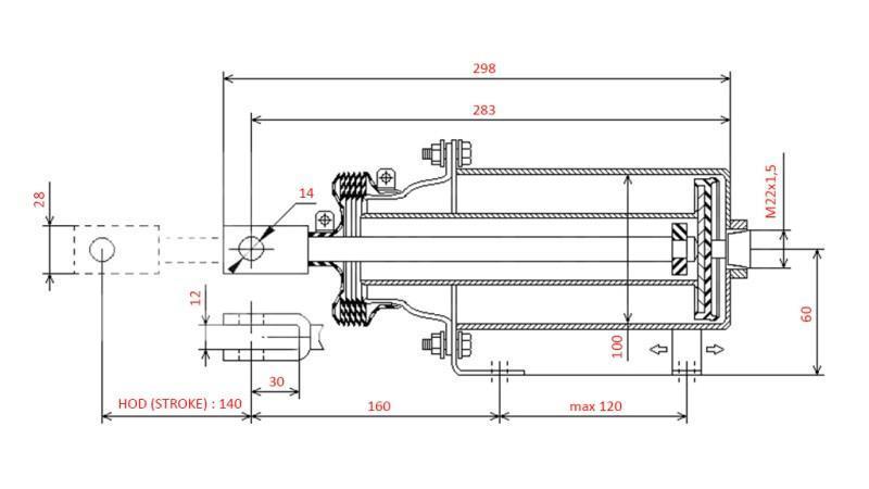
VZDUCHOVÝ BRZDOVÝ VÁLEC - MEMBRÁNA 100 MM
Kód produktu:
13647
OEM:
9990000099726
Sazba daně
22 %
Cena bez DPH:
1.272,81 CZK
Cena s DPH:
1.552,83 CZK
Ref:
32
Popis:
Univerzální pístový brzdový válec navržený pro pneumatické brzdění. Používá se v zemědělských, zahradnických, lesnických a stavebních přívěsech, nákladních automobilech, rozmetadlech, cisternách na kejdu, postřikovačích a dalším zařízení, které má pneumatický brzdový systém.
Kompatibilní s přívěsy :
Tehnostroj, DAF, Krone, Scania, RVI, MB, MAN, Autosan Sanok: D-35 , D-47 , D-50 D-732 , HL 8011 , HL 6011.
Dodavatel:
Polsko
Vrátit nebo vyměnit:
14 dní
rozměry rozteče montážních otvorů:
120 mm / fi 13 mm
Hmotnost produktu:
3,050 kg
Záruka:
6 měsíců
Vlákno:
M22x1.5
průměr:
100 mm
zdvih válce:
140 mm







