Uued tooted
HÜDRAULIKAPUMP 00C1X032 GR.0 - 1cc - PAREM
Toote kood:
14749
OEM:
9990000178780
Maksumäär
22 %
Hind ilma KM-ta:
61,48 EUR
Hind koos KM-ga:
75,00 EUR
Ref:
5
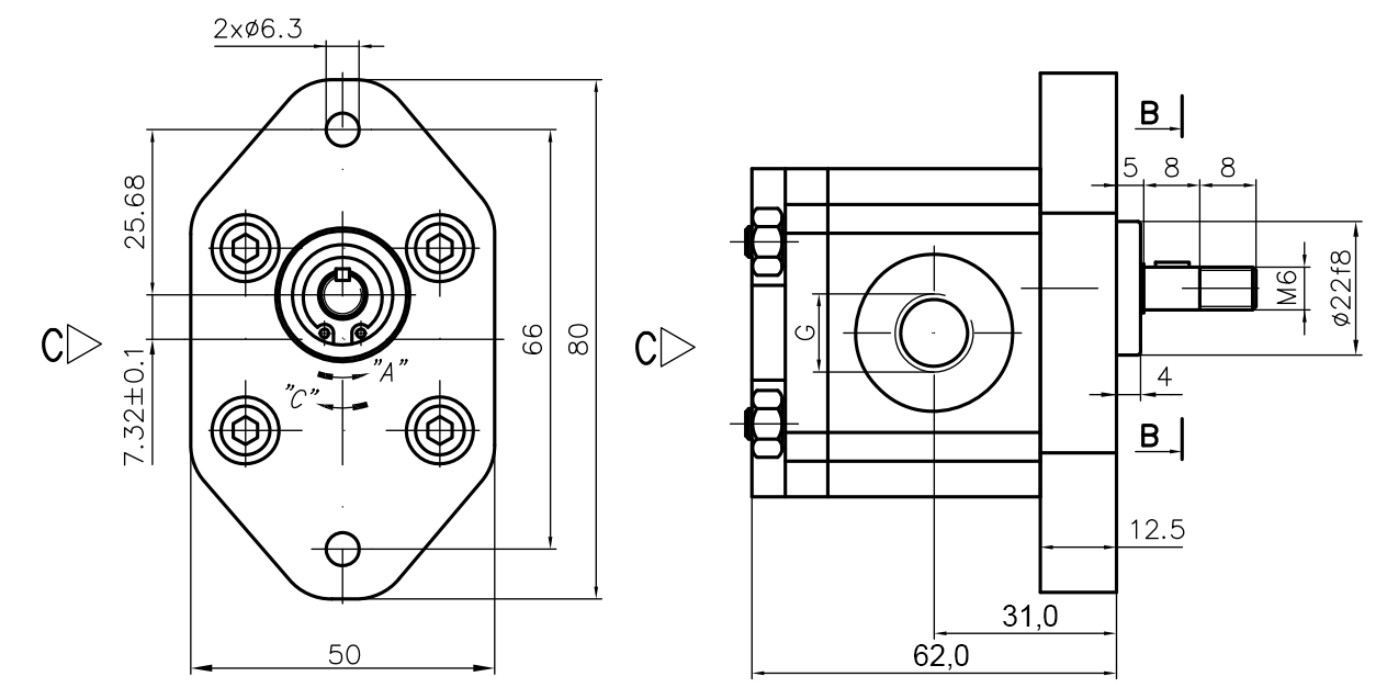
| Tehniline info | |
| Tootja: | Türgi |
| Tagastamine või vahetamine: | Ei ole võimalik |
| Garantii: | 6 kuud |
| Mudel: | 00C1X032 |
| Pöörlemissuunas: | Parem (C) |
| Mahutavus: | 1 cm3/pööre |
| Suurus: | GR.0 |
| Kiirus: | maks. 3500 p/min |
| Vooliku/ühenduse keere: | 1/4" (sisse- ja väljalaskeava) |
| Nimipinge: | 200 bar |
| Vooluhulk: | 1,4 l/min 1500 p/min juures ja 3,2 l/min maksimaalse p/min juures |
Kirjeldus
Hüdraulikapumbad on iga hüdraulikasüsteemi võtmekomponent, kuna need muudavad mehaanilise energia hüdrauliliseks energiaks. Neid kasutatakse mitmesugustes rakendustes nagu põllumajandustehnika, ehitusmasinad, tööstusseadmed ja transpordisüsteemid.
Meie pakkumises leiate kvaliteetsed hammasrattaga hüdraulikapumbad erinevates suurustes (GR), mahutavustes ja konfiguratsioonides, mis tagavad usaldusväärse töö, pika kasutusea ja lihtsa paigaldamise. Need tagavad stabiilse õlivoo, kõrge efektiivsuse ja minimaalsed kaod, aidates kaasa kogu süsteemi optimaalsele jõudlusele.
Mõõtmed










