Uued tooted
HÜDRAULIKAPUMP 00C2X033 GR.0 - 2cc - PAREM
Toote kood:
14759
OEM:
9990000178889
Maksumäär
22 %
Hind ilma KM-ta:
61,48 EUR
Hind koos KM-ga:
75,00 EUR
Ref:
0
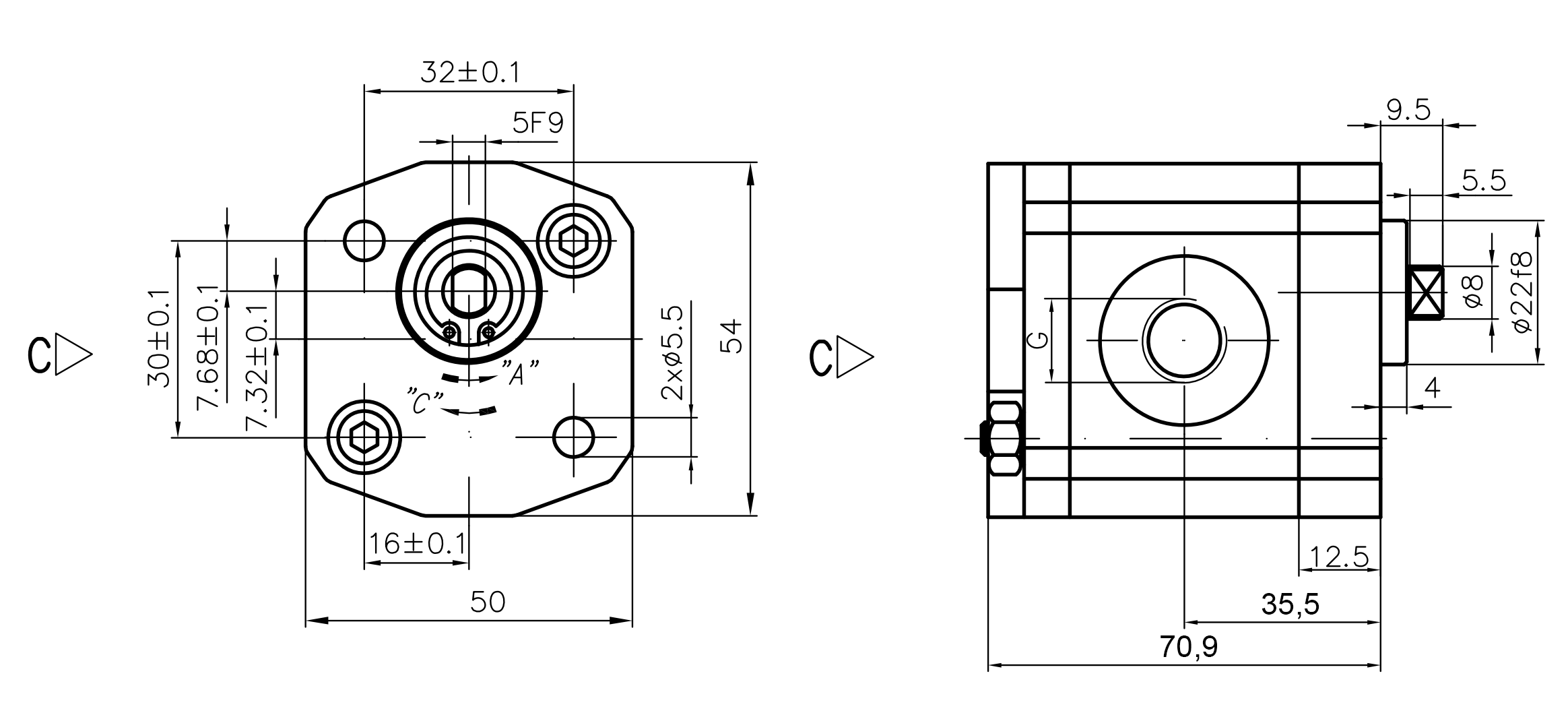
| Tehniline teave | |
| Hankija: | Türgi |
| Tagastamine või vahetamine: | Ei ole võimalik |
| Garantii: | 6 kuud |
| Mudel: | 00C2X033 |
| Pöörlemissuund: | Parem (C) |
| Mahutavus: | 2 cm3/pöörde kohta |
| Suurus: | GR.0 |
| Kiirus: | kuni 2000 p/min |
| Värav/ühenduskeerme suurus: | 1/4" (sisend ja väljund) |
| Nimipinge: | 160 bar |
| Vooluhulk: | 2,8 l/min 1500 p/min juures ja 3,7 l/min maksimaalse p/min juures |
Kirjeldus
Hüdraulikapumbad on iga hüdraulikasüsteemi olulised komponendid, kuna need muudavad mehaanilise energia hüdrauliliseks energiaks. Neid kasutatakse paljudes rakendustes, nagu põllumajandustehnika, ehitusmasinad, tööstusseadmed ja transpordisüsteemid.
Meie valikus on kvaliteetsed hammasrattaga hüdraulikapumbad erinevates suurustes (GR), mahutavuses ja konfiguratsioonides, mis tagavad usaldusväärse töö, pika kasutusea ja lihtsa paigalduse. Need tagavad stabiilse õlivoolu, kõrge tõhususe ja minimaalsed kaod, mis aitavad kaasa kogu süsteemi optimaalsele tööle.
Mõõtmed










