Uued tooted
HÜDRAULIKAPUMP 10C8X179 GR.1 - 8cc - PAREM
Toote kood:
14767
OEM:
9990000178964
Maksumäär
22 %
Hind ilma KM-ta:
94,26 EUR
Hind koos KM-ga:
115,00 EUR
Ref:
0
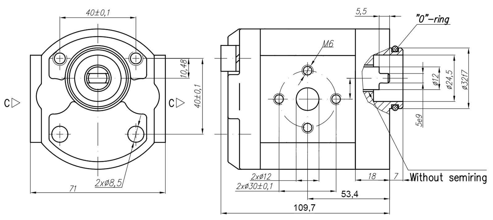
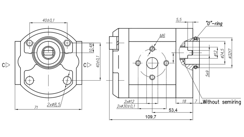
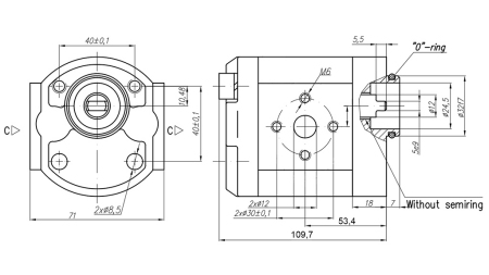
| Tehniline info | |
| Tootja: | Türgi |
| Tagastus või vahetus: | Võimatu |
| Garantii: | 6 kuud |
| Mudel: | 10C8X179 |
| Pöörde suund: | Parem (C) |
| Mahutavus: | 8 cm3/pööre |
| Suurus: | GR.1 |
| Kiirus: | maks. 2000 p/min |
| Värava/kinnituse keere: |
Sissevõtt (M = M22x1,5, G = G 1/2", UNF = 7/8"-14 UNF), väljalaskeava (M = M18x1,5, G = G 3/8", UNF = 3/4"-16 UNF) |
| Nimipressur: | 150 bar |
| Vooluhulk: | 11,4 l/min 1500 p/min juures ja 15,2 l/min maksimaalse p/min juures |
Kirjeldus
Hüdraulikapumbad on iga hüdraulikasüsteemi peamine komponent, kuna nad muudavad mehaanilise energia hüdrauliliseks energiaks. Neid kasutatakse paljudes rakendustes, nagu põllumajandustehnika, ehitusseadmed, tööstusseadmed ja transpordisüsteemid.
Meie pakkumisest leiate kvaliteetsed hammasrattahüdraulikapumbad erinevates suurustes (GR), mahutavustes ja konfiguratsioonides, mis tagavad usaldusväärse töö, pika kasutusea ja lihtsa paigalduse. Need tagavad stabiilse õlivoo, kõrge efektiivsuse ja minimaalsete kadudega, aidates kaasa kogu süsteemi optimaalsele tööle.
Mõõdud










