Novi artikli
ERC02 REDUKTOR ZA ELEKTROMOTOR MS80 (0,55-0,75kW) RAZMERJE 24:1

Opis:
ERC reduktorji se uporabljajo v kombinaciji z elektromotorji. ERC reduktorji so zasnovani na osnovi modularnega sistema. Povežemo lahko različne vrste motorjev (klasični, frekvenčni, zavorni ...). Uporablja se za v aplikacijah, kot so gradbeništvo,živilska industrija (mesoreznice...), pogonski trakovi (valji,..) in ostalo.
Reduktor nam reducira vrtljaje elektromotorja na vrednost s katero želimo operirati. Reduktorji imajo razmerje 25:1.
Pri nameščanju reduktorja vedno poskrbite, da:
- podatki na imenski tablici ustrezajo podatkom naročenega artikla
- ohišje in gredi so čiste ter nepoškodovane
- je površina, na katero se pritrdi reduktor ravna in dovolj močna
- se reduktor in gred elektromotorja dobro prilegata
- če obstaja možnost vibracij ali zatikanja, je potrebno namestiti omejevalnik navora
- rotacijski deli so prekriti s plastični pokrovi
- napravo, ki se uporablja na prostem, mora biti ustrezno vremensko zaščitena
- obratovalni pogoji ne povzročajo korozije (razen, če je predhodno tako dorečeno in sta reduktor in elektromotor pravilno pripravljena)
- zobniki, zobniki gredi, vhodna / izhodna gred so pravilno pritrjeni, da ne postanejo radialne ali aksialne obremenitve, ki ne presegajo največje dovoljene meje
- vse sklopke so premazane z antikorozijskim sredstvom, da se prepreči oksidacija ob stiku
- vsi pritrdilni vijaki morajo biti varno priviti
- nog ohišja in montažnih prirobnic ne zategujte med seboj in poskrbite, da boste upoštevali dovoljeno radialno in aksialno obremenitev.
- Pred začetkom preverite nivo olja, ki je priporočeno za montirano pozicijo. Kontrolni in izpustni vijak za olje ter odzračevalni ventil so prosto dostopni.
- Jermenic, sklopk, zobnik itd. nikoli ne pritiskajte na konec gredi, tako, da udarjate s kladivom. S tem poškodujete ležaj, ohišje in gred
Vsi izračuni temeljijo na elektromotorjih s 1400 vrtljaji. V kolikor uporabljate elektromotor z različno od 1400 vrtljaji na minuto, delite vhodne vrtljaje z razmerjem reduktorja in dobite izhodne vrtljaje.
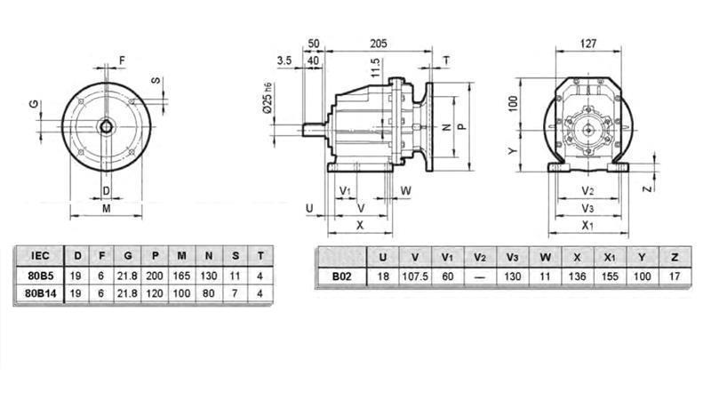
Več tehničnih podatkov najdete v prilogi "DIMENZIJE - TEHNIČNI LIST".


%20RAZMERJE%2024proti1.jpg)
%20RAZMERJE%2024proti1.jpg)
%20RAZMERJE%2024proti1.jpg)
%20RAZMERJE%2024proti1.jpg)


