Neue Artikel
ERC03 ÜBERSETZUNGSGETRIEBE für ELEKTROMOTOR MS90 (1,1-1,5kW) VERHÄLTNIS 25:1
Beschreibung:
ERC-Getriebe werden in Kombination mit Elektromotoren eingesetzt. ERC-Reduzierer sind modular aufgebaut. Es können verschiedene Motortypen angeschlossen werden (klassische Motoren, Motoren mit variabler Frequenz, Bremsmotoren, usw.). Es wird für Anwendungen wie Bauwesen, Lebensmittelindustrie (Fleischverarbeitungsbetriebe...), Antriebsriemen (Rollen...) und andere verwendet.
Der Regler reduziert die Drehzahl des Elektromotors auf den Wert, mit dem wir arbeiten wollen. Die Reduktionsmittel haben ein Verhältnis von 25:1.
Achten Sie beim Einbau des Reduzierstücks immer darauf, dass:
- die Angaben auf dem Typenschild mit denen des bestellten Artikels übereinstimmen
- das Gehäuse und die Wellen sauber und unbeschädigt sind
- die Oberfläche, auf der das Reduzierstück montiert werden soll, ist eben und von ausreichender Festigkeit
- das Untersetzungsgetriebe und die Welle des Elektromotors gut zusammenpassen
- wenn die Möglichkeit von Vibrationen oder Verklemmungen besteht, muss ein Drehmomentbegrenzer eingebaut werden
- drehende Teile sind mit Kunststoffabdeckungen versehen
- das im Freien verwendete Gerät muss ausreichend wettergeschützt sein
- die Betriebsbedingungen verursachen keine Korrosion (es sei denn, dies wurde vorher vereinbart und das Getriebe und der Elektromotor sind entsprechend vorbereitet)
- Zahnräder, Wellenräder, An- und Abtriebswelle ordnungsgemäß gesichert sind, um zu verhindern, dass Radial- oder Axialbelastungen den höchstzulässigen Wert überschreiten
- alle Kupplungen sind mit einem Korrosionsschutzmittel beschichtet, um Oxidation bei Kontakt zu verhindern
- alle Befestigungsschrauben müssen fest angezogen sein
- die Schenkel des Gehäuses und die Montageflansche dürfen nicht gegeneinander verspannt werden, und es ist darauf zu achten, dass die zulässigen radialen und axialen Belastungen eingehalten werden.
- Prüfen Sie vor dem Start den für die Einbaulage empfohlenen Ölstand. Die Ölkontroll- und Ablassschraube sowie das Entlüftungsventil sind frei zugänglich.
- Drücken Sie die Riemenscheiben, Kupplungen, Zahnräder usw. niemals mit einem Hammer gegen das Ende der Welle. Dadurch werden Lager, Gehäuse und Welle beschädigt
Alle Berechnungen gehen von Elektromotoren mit einer Drehzahl von 1400 U/min aus. Wenn Sie einen Elektromotor mit einer anderen Drehzahl als 1400 U/min verwenden, teilen Sie die Eingangsdrehzahl durch das Untersetzungsverhältnis, um die Ausgangsdrehzahl zu erhalten.
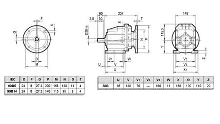
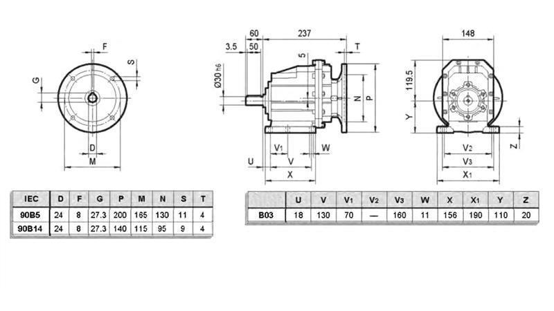
Weitere technische Informationen entnehmen Sie bitte dem Anhang "ABMESSUNGEN - TECHNISCHES BLATT".


%20RAZMERJE%2025proti1.jpg)
%20RAZMERJE%2025proti1.jpg)
%20RAZMERJE%2025proti1.jpg)
%20RAZMERJE%2025proti1.jpg)


