Neue Artikel
HYDRAULIK-ÖLMOTOR MR 80
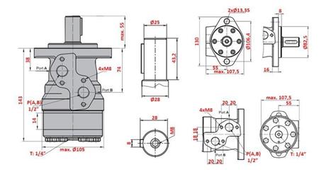
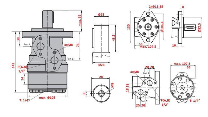
| Technische Daten | |
| Lieferant: | Bulgarien |
| Rückgabe oder Umtausch: | 14 Tage |
| Garantie: | 6 Monate |
| Wellendurchmesser: | 25 mm |
| Ölfluss: | konstanter Durchfluss 60 L/min, intermittierend 75 L/min |
| Anschlussgewinde: | 1/2" |
| Temperaturbereich: | von -40 °C bis 140 °C |
| Drehmoment: | konstantes Drehmoment 20 daNm, intermittierend 22 daNm, max. 27 daNm |
| Drehzahl: | konstante Drehzahl 750 rpm, intermittierend 940 rpm |
| Druckverlust: | konstanter Druck 175 bar, intermittierend 200 bar, max. 225 bar |
| Eingangsdruck: | konstanter Druck 175 bar, intermittierend 200 bar, max. 225 bar |
| Leistung: | konstante Leistung 12,5 kW, intermittierend 15 kW |
| cm³/Umdrehung: | 80,3 |
| Gewicht: | 7 kg |
BESCHREIBUNG – HYDRAULIKMOTOREN MR
Hydraulikmotoren des Typs MR sind kompakt, robust und zuverlässig mit Orbitalkonstruktion. Aufgrund ihrer einfachen Bauweise und hohen Effizienz eignen sie sich für ein breites Anwendungsspektrum.
Sie zeichnen sich aus durch:
- hohes Drehvolumen bei niedrigen Drehzahlen,
- ruhigen und geräuscharmen Betrieb,
- lange Lebensdauer dank hochwertiger Materialien und Dichtungen,
- Möglichkeit des Betriebs in beiden Drehrichtungen,
- geringen Ölverbrauch im Verhältnis zur Ausgangsleistung.
Sie werden hauptsächlich in der Land-, Forst- und Baumaschinentechnik sowie in der Industrie eingesetzt, wo eine zuverlässige und effiziente Umwandlung von hydraulischer Energie in mechanische Bewegung erforderlich ist.

| L | L1 | |
| (mm) | (mm) | |
| MR 50 | 135,5 | 6,67 |
| MR 80 | 139,5 | 10,67 |
| MR 100 | 142 | 13,33 |
| MR 125 | 145,5 | 16,67 |
| MR 160 | 150 | 21,33 |
| MR 200 | 155,5 | 26,67 |
| MR 250 | 162 | 33,33 |
| MR 315 | 171,5 | 42,67 |
| MR 400 | 182 | 53,33 |












