Novi artikli
KOTNI REDUKTOR L-150J 1:1 (12HP-9kW)
Šifra:
100890
OEM:
9990000151851
Stopnja davka
22 %
Cena brez DDV:
53,28 EUR
Cena z DDV:
65,00 EUR
Ref:
16
Opis:
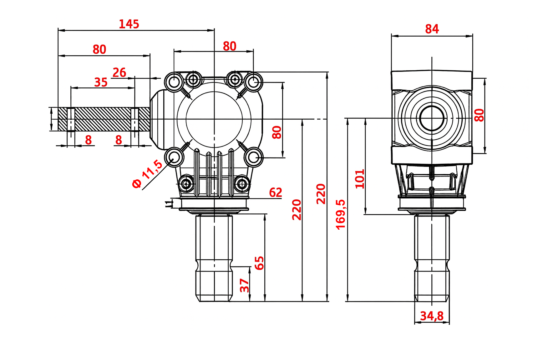
Kotni reduktorji so zasnovani za učinkov prenos moči med pravokotno postavljenima gredema. Zaradi kompaktne zasnove in robustne konstrukcije so primerni za uporabo v kmetijski, industrijski in transportni mehanizaciji, kjer je prostor omejen ali je potreben natančen prenos navora. Zobniki so precizno obdelani in mazani z oljem, kar omogoča tiho in zanesljivo delovanje tudi pri visokih obremenitvah.

Dobaviteljeva koda:
9.124.800.30
Dobavitelj:
Poljska
Vračilo ali menjava:
14 dni
max. navor:
197 Nm
rotacija reduktorja:
desni
Ohišje:
Aluminij
Teža izdelka:
3,15 kg
Garancija:
6 mesecev
izhodna osovina:
gred - 25 mm
Razmerje prenosa:
1:1
tip reduktorja:
L-150J (kotni prenos)
Moč:
12 HP (9 kW)
mazalno sredstvo:
0,15 L (mast)
vhodna osovina:
kardanska osovina (1” 3/8 – 6 zob)


.jpg)
.jpg)
.jpg)
.jpg)


