Novi artikli
KOTNI REDUKTOR TB-19J 1,46:1 (23HP-16,9kW)
Šifra:
100140
OEM:
9990000024728
Stopnja davka
22 %
Cena brez DDV:
168,03 EUR
Cena z DDV:
205,00 EUR
Ref:
24

Informativen izračun ob nakupu na obroke
polog0,00 EUR
3 × 74,22 EUR
polog0,00 EUR
6 × 37,53 EUR
polog0,00 EUR
12 × 19,18 EUR
polog0,00 EUR
24 × 10,02 EUR
Vračilo ali menjava:
14 dni
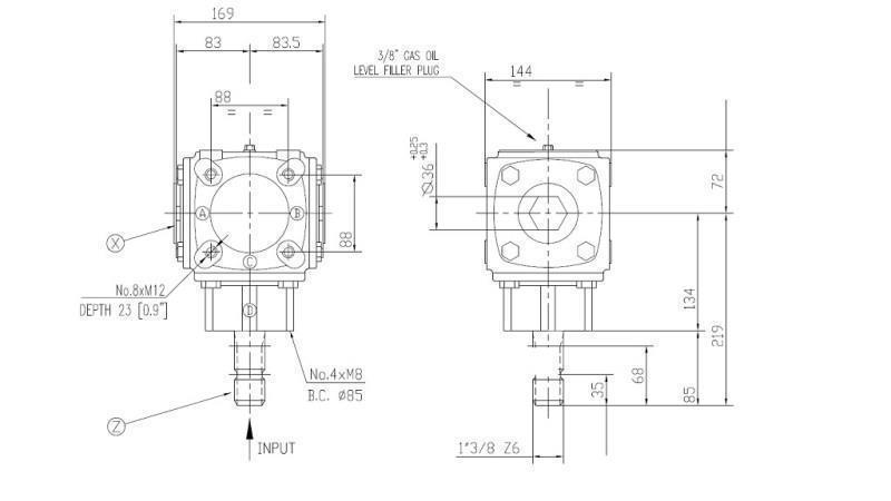
rotacija reduktorja:
levi/desni (odvisno od montaže reduktorja)
koda proizvajalca:
9.259.871.20
Obremenitev:
23 HP (16,9 kW)
tip reduktorja:
TB-19J (kotni prenos)
mazalno sredstvo:
v reduktor je potrebno naliti olje SAE 90 1,0 lit.
vhodna osovina:
kardanska (1”3/8 – 6 zob)


.jpg)
.jpg)
.jpg)




