Novi artikli
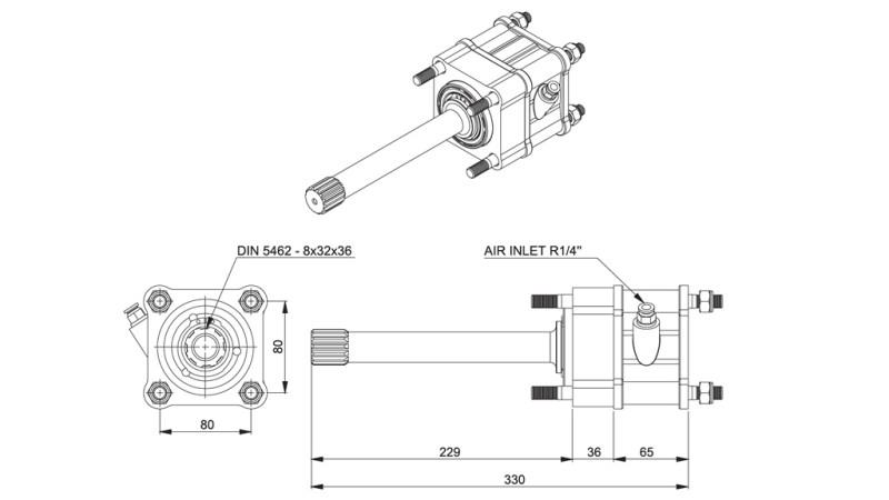
ODGON ZA HIDRAVLIČNO ČRPALKO - MAN
Šifra:
12883
OEM:
9990000081165
Stopnja davka
22 %
Cena brez DDV:
143,44 EUR
Cena z DDV:
175,00 EUR
Ref:
1

Informativen izračun ob nakupu na obroke
polog0,00 EUR
3 × 63,36 EUR
polog0,00 EUR
6 × 32,03 EUR
polog0,00 EUR
12 × 16,38 EUR
Opis:
Odgoni so primerni za tovorna vozila, kjer je potreba po namestitvi hidravlične črpalke. Možna je namestitev litoželezne črpalke tip:
ISO (črpalka za pritrditev s tremi (3) vijaki)
UNI (črpalka za pritrditev s štirimi (4) vijaki)
Ustreza za menjalnike tip:
ZF AS TRONIC - 16AS 251 / 16S 251 + PLATE 12AS 1631 / 16AS 1931 / 12AS 2131 / 12AS 2141 / 12AS 2300 IT / 12AS
2301 IT / 12AS 2331 / 12AS 2341 / 12AS 2501 IT / 12AS 2531 / 12AS 2541 / 12AS 2741 / 12AS 2941 / 12AS 3001 IT /
12AS 3002 IT / 12AS 3141/ 16AS2231 / 16AS 2600 IT / 16AS2601 IT / 16AS2631 IT INTERDAR
Primerno za vozila:
TG - A 18,46OA - 19,430 MAN EUROPE 6x4 / 3300 DAF - 85,330 CF DAF / 14,463 MAN / IVECO 480
STRALIS / 39,390 MAN TGA
Dobavitelj:
Turčija
Tip:
UNI (4 vijaki)
Vračilo ali menjava:
14 dni
Navor:
479,7 Nm
krmiljenje:
pnevmatsko
Vrtljaji:
513 vrt/min
Teža izdelka:
7 kg
Garancija:
6 mesecev
montaža :
zadaj
Obremenitev:
34,5 Hp (25,7 kW)
Razmerje prenosa:
/






