Novi artikli
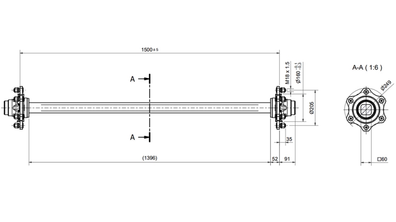
OSOVINA ZA PRIKOLICO BREZ ZAVOR (6 VIJAKOV) - 4800 kg - 1500 mm
Šifra:
100408
OEM:
9990000047949
Stopnja davka
22 %
Cena brez DDV:
196,72 EUR
Cena z DDV:
240,00 EUR
Ref:
23

Informativen izračun ob nakupu na obroke
polog0,00 EUR
3 × 80,00 EUR
polog0,00 EUR
6 × 44,21 EUR
polog0,00 EUR
12 × 22,55 EUR
polog0,00 EUR
24 × 11,72 EUR
Opis
Osovina za prikolico z zavorami je namenjena varni in zanesljivi uporabi pri obremenitvah do 4800 kg.
Na voljo je v izvedbi s 6-vijačnim pestom, ki omogoča uporabo ustreznih standardnih platišč. Zaradi robustne konstrukcije je primerna za tovorne, kmetijske in industrijske prikolice ter druge transportne rešitve, kjer sta stabilnost in zanesljivo zaviranje ključnega pomena.
Osovina je zasnovana za dolgo življenjsko dobo in enostavno vgradnjo v različne tipe prikolic.
.png)
Število vijakov:
6
Dobavitelj:
Italija
Nosilnost:
do 4800 kg
Širina:
1500 mm
Vračilo ali menjava:
14 dni
Garancija:
6 mesecev


.jpg)
.jpg)

