Novi artikli
PMRV-50 REDUKTOR ZA ELEKTROMOTOR MS80 (0,55-0,75kW) RAZMERJE 7,5:1
Šifra:
13279
OEM:
9990000092758
Stopnja davka
22 %
Cena brez DDV:
86,07 EUR
Cena z DDV:
105,00 EUR
Ref:
2

Informativen izračun ob nakupu na obroke
polog0,00 EUR
3 × 35,00 EUR
polog0,00 EUR
6 × 19,34 EUR
Dodatni opis:
|
elektromotor |
reduktor |
izhodni navor M2 [Nm] |
varnostni faktor - SF |
|---|---|---|---|
|
0,55kW (MS80) |
RV-50 |
24 |
2,9 |
| 0,75kW (MS80) | 33 | 2,1 |
Opis:
PMRV reduktorji se uporabljajo v kombinaciji z elektromotorji.
Reduktor nam reducira vrtljaje elektromotorja na vrednost s katero želimo operirati. Reduktorji imajo različna razmerja 7,5:1 - 10:1 - 20:1 - 40:1.
Pri nameščanju reduktorja vedno poskrbite, da:
- podatki na imenski tablici ustrezajo podatkom naročenega artikla
- ohišje in gredi so čiste ter nepoškodovane
- je površina, na katero se pritrdi reduktor ravna in dovolj močna
- se reduktor in gred elektromotorja dobro prilegata
- če obstaja možnost vibracij ali zatikanja, je potrebno namestiti omejevalnik navora
- rotacijski deli so prekriti s plastični pokrovi
- napravo, ki se uporablja na prostem, mora biti ustrezno vremensko zaščitena
- obratovalni pogoji ne povzročajo korozije (razen, če je predhodno tako dorečeno in sta reduktor in elektromotor pravilno pripravljena)
- zobniki, zobniki gredi, vhodna / izhodna gred so pravilno pritrjeni, da ne postanejo radialne ali aksialne obremenitve, ki ne presegajo največje dovoljene meje
- vse sklopke so premazane z antikorozijskim sredstvom, da se prepreči oksidacija ob stiku
- vsi pritrdilni vijaki morajo biti varno priviti
Vsi izračuni temeljijo na elektromotorjih s 1400 vrtljaji. V kolikor uporabljate elektromotor z različno od 1400 vrtljaji na minuto, delite vhodne vrtljaje z razmerjem reduktorja in dobite izhodne vrtljaje.
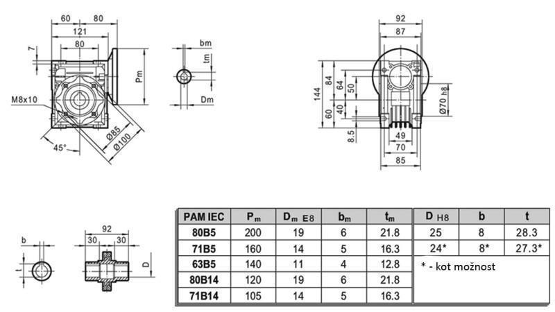
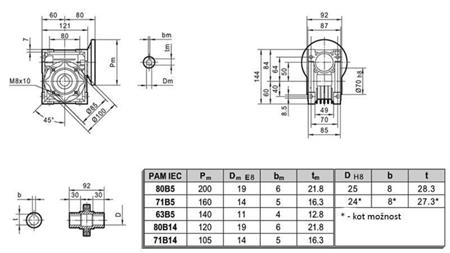
Več tehničnih podatkov najdete v prilogi "DIMENZIJE - TEHNIČNI LIST".
Dobavitelj:
Poljska
Vračilo ali menjava:
14 dni
Razmerje:
7,5 : 1
Teža izdelka:
3,5 kg
Izhodni vrtljaji:
187 vrt/min
Garancija:
1 leto
vhodni vrtljaji elektromotorja:
1400 vrt/min







