Neue Artikel
STROMREGELVENTIL 3/8 MIT STRICHEINTEILUNG UND ÜBERDRUCKVENTIL 0-30lit, 0-200bar
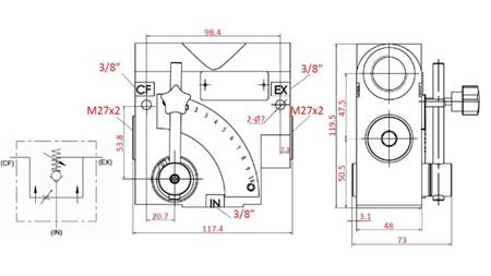
Beschreibung:
Stromregelventil mit Stricheinteilung und Überdruckventil verwendet man für Durchfluss Regulierung mit Druck Kompensation, wo sich der Durchfluss ändert, abgesehen von Hebelposition Öffnung. Das Ventil stellt man an die flache Oberfläche auf.
CF Anschluss (Controlled flow - Regulierte Durchfluss) - Der Durchfluss, der von CF Anschluss kommt, ist mit dem Druck kompensiert und ist verhältnismäßig zu der Hebelstellung. CF Durchfluss können wir nach Wunsch auch ändern.
EX Anschluss (Excess flow - Überschrittene Durchfluss) - Der Durchfluss, der von EX Anschluss kommt, ist kompensiert. Wenn der Hebel in der "0" Stellung ist, wird der ganze Durchfluss durch EX ausfließen. EX Anschluss soll in den Ölbehälter verlegt werden.









