Novi artikli
XV PRITRDITEV ZA PNEVMATSKI CILINDER PCAS 100/25
Šifra:
P22533
OEM:
9990000163175
Stopnja davka
22 %
Cena brez DDV:
31,97 EUR
Cena z DDV:
39,00 EUR
Ref:
1
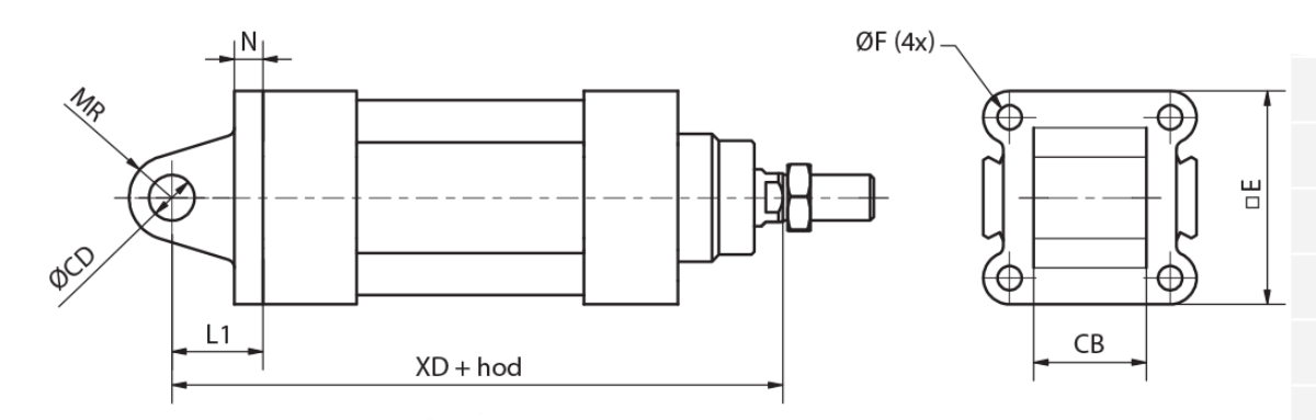
OPIS
XV pritrditev za pnevmatske cilindre PCAS z batnico 25 mm.

|
XV pritrditev |
Φ BATA |
Φ F |
CB |
E |
XD |
N |
L1 |
Φ CD |
MR |
|
32/12-xxx |
32 |
6,6 |
26 |
47 |
142 |
9 |
22 |
10 |
9 |
|
40/16-xxx |
40 |
6,6 |
28 |
52 |
160 |
9 |
25 |
12 |
10,5 |
|
50/20-xxx |
50 |
9 |
32 |
64 |
170 |
10 |
27 |
12 |
11 |
|
63/20-xxx |
63 |
9 |
40 |
74 |
190 |
12 |
32 |
16 |
13 |
|
80/25-xxx |
80 |
11 |
50 |
94 |
210 |
16 |
36 |
16 |
14 |
|
100/25-xxx |
100 |
11 |
60 |
113 |
230 |
16 |
41 |
20 |
17,5 |
|
125/32-xxx |
125 |
14 |
70 |
139 |
275 |
20 |
50 |
25 |
21,5 |
Dobavitelj:
Slovenija
Vračilo ali menjava:
14 dni
Garancija:
6 mesecev




