Nuevos Productos
VÁLVULA HIDRÁULICA P81 AUTOMÁTICA PARA DIVISOR DE TRONCOS
| Información técnica | |
| Proveedor: | Bulgaria |
| Devolución o cambio: | 14 días |
| Garantía: | 6 meses |
| Caudal nominal de aceite: | 80 l/min |
| Carrera del émbolo: | ± 7,9 mm |
| Rango de temperatura de operación: | de −40 °C a +60 °C |
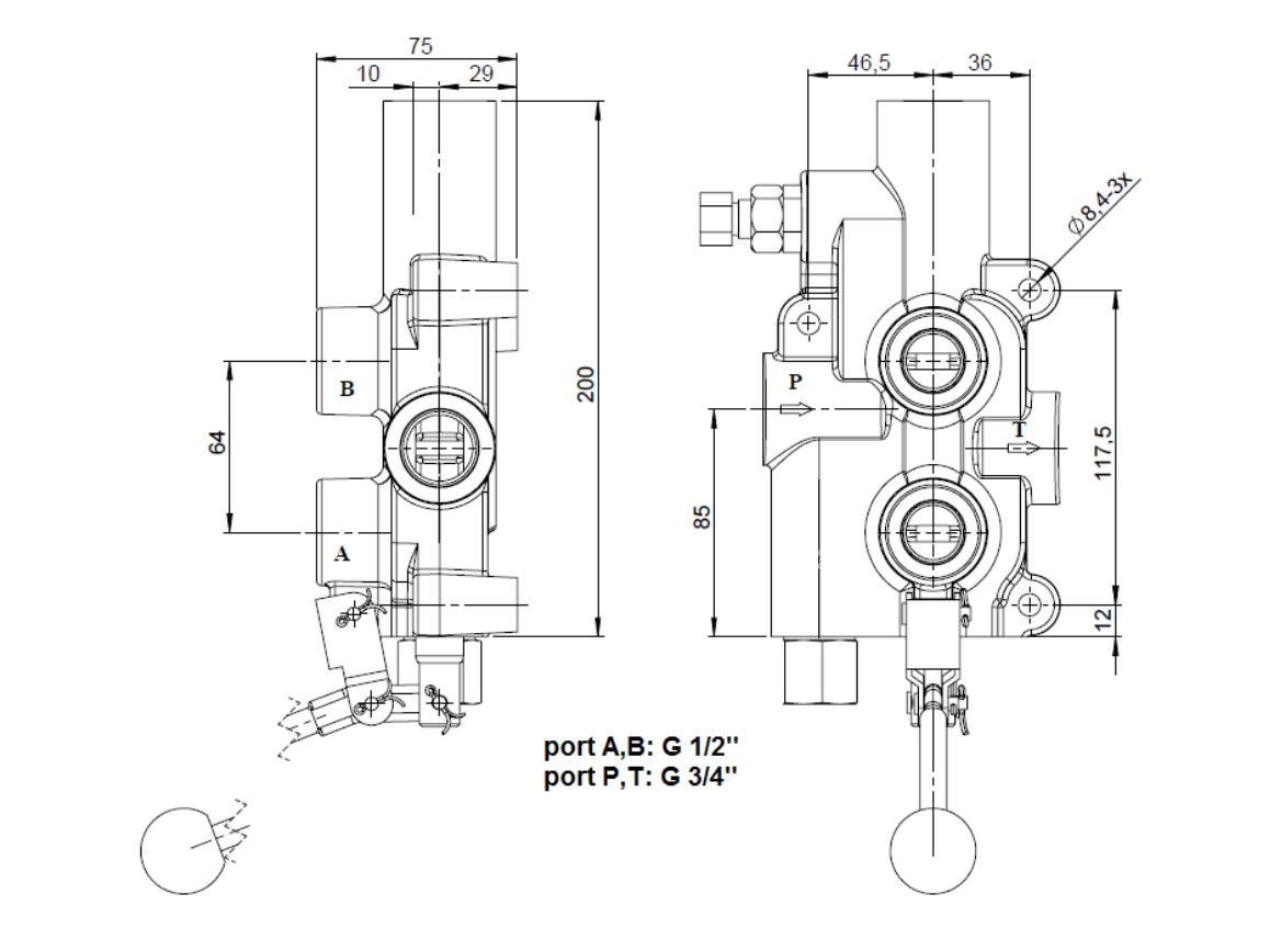
| Rosca de conexión: | Puerto P y T – 3/4", Puerto A y B – 1/2" |
| Presión máxima: | Puerto P – 250 bar, Puerto T - 50 bar, Puerto A y B – 300 bar |
| Válvula de seguridad alivio: | ajustada de fábrica a 150 bar |
Descripción
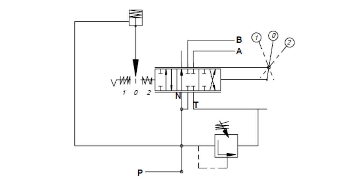
La válvula hidráulica P81 está diseñada para su uso en divisores de troncos. Cuenta con un funcionamiento de retorno por resorte en una dirección y un sistema de salida de presión en la dirección opuesta, que devuelve automáticamente la palanca a su posición neutral. La válvula P81 también incluye una válvula de alivio de seguridad ajustable manualmente.
Perno de salida de presión
El sistema de salida de presión permite soltar la palanca y que ésta regrese a la posición neutral. Cuando el carrete se mueve manualmente a la posición de salida de presión, el aceite se dirige a la sección “B”. Cuando la presión en la sección “B” supera el valor ajustado, el perno de salida de presión libera la palanca de control y la devuelve a la posición neutral. El ajuste de fábrica para la función de salida es 70 bar.
ADVERTENCIA: Si el perno de salida de presión está configurado a una presión demasiado alta, la palanca no volverá a la posición neutral. Si la presión se ajusta demasiado baja, el perno de salida de presión no mantendrá la palanca en la posición lista para la salida.
Válvula de alivio de presión ajustable – el ajuste estándar de fábrica de la válvula de alivio de presión es 150 bar.
La palanca de la válvula se puede orientar hacia “arriba” o “abajo” dependiendo de la posición de montaje de la máquina. Esto se realiza fácilmente girando la palanca 180°. Todos los pernos están asegurados con pasadores de tipo DIN 94.












