Nieuwe artikelen
HYDRAULISCHE KLEP P81 AUTOMATISCH VOOR HOUTVERDELGER
| Technische informatie | |
| Leverancier: | Bulgarije |
| Retour of omruiling: | 14 dagen |
| Garantie: | 6 maanden |
| Nominale oliedebiet: | 80 l/min |
| Spindelslag: | ± 7,9 mm |
| Werktemperatuurbereik: | van −40 °C tot +60 °C |
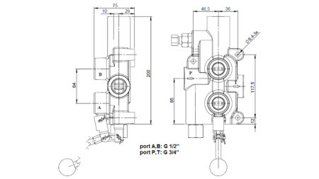
| Aansluitdraad: | P- en T-poort – 3/4", A- en B-poort – 1/2" |
| Max. druk: | P-poort – 250 bar, T-poort - 50 bar, A- en B-poort – 300 bar |
| Veiligheidsdrukventiel: | fabrieksinstelling op 150 bar |
Beschrijving
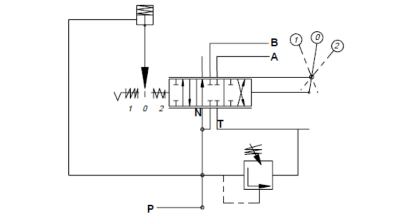
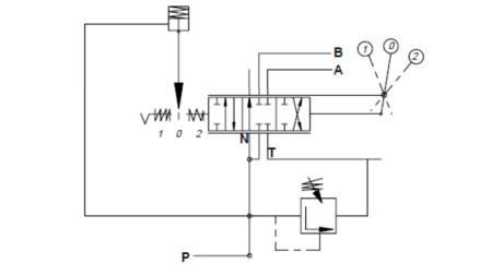
Het P81 hydraulische ventiel is ontworpen voor gebruik op houtklievers. Het beschikt over een veerretourwerking in één richting en een drukuitschakelsysteem in de tegenovergestelde richting, waardoor de hendel automatisch naar de neutrale stand terugkeert. Het P81 ventiel is ook voorzien van een handmatig verstelbaar veiligheidsdrukventiel.
Drukuitschakelpen
Het drukuitschakelsysteem maakt het mogelijk om de hendel los te laten en terug te laten keren naar de neutrale stand. Wanneer de spoel met de hand in de drukuitschakelpositie wordt gebracht, wordt de olie naar het “B”-gedeelte geleid. Wanneer de druk in het “B”-gedeelte de ingestelde waarde overschrijdt, wordt met de drukuitschakelpen de bedieningshendel vrijgegeven en keert deze terug naar de neutrale stand. De fabrieksinstelling voor de uitschakelfunctie is 70 bar.
WAARSCHUWING: Als de drukuitschakelpen op een te hoge druk is ingesteld, zal de hendel niet terugkeren naar de neutrale stand. Als de druk te laag is ingesteld, zal de drukuitschakelpen de hendel niet in de positie houden die gereed is voor uitschakeling.
Verstelbaar drukventiel – de standaard fabrieksinstelling van het drukventiel is 150 bar.
De hendel van het ventiel kan naar “boven” of “beneden” worden gericht, afhankelijk van de montagepositie van de machine. Dit kan eenvoudig worden gedaan door de hendel 180° te draaien. Alle pennen zijn veilig vergrendeld met DIN 94 borgpennen.












