Nieuwe artikelen
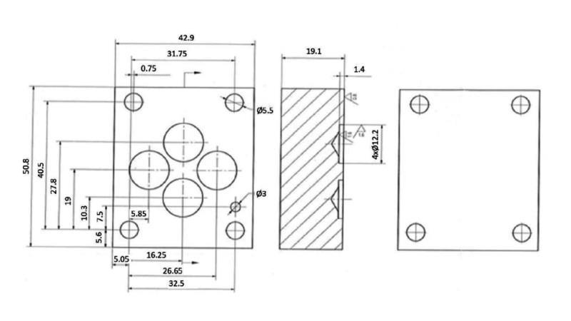
GESLOTEN BASIS CETOP3
Code:
13102
OEM:
9990000087549
BTW-tarief
22 %
Prijs exclusief BTW:
9,84 EUR
Prijs inclusief BTW:
12,00 EUR
Ref:
11
Beschrijving:
De gesloten basis cetop 3 vervangt de solenoïde klep op de verdeler (blind het), waardoor normale werking van de overige eenheden op de verdeler mogelijk is.
Leverancier:
Spanje
Retour of ruil:
14 dagen
Productgewicht:
0.30 kg
Garantie:
6 maanden
Materiaal:
gesmeed staal






