Nieuwe artikelen
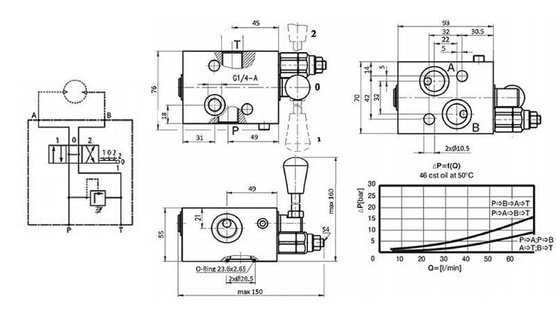
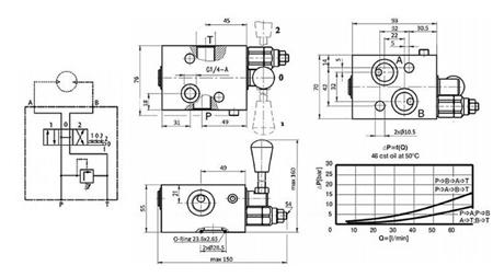
MANUELE KLEP VOOR HYDRAULISCHE MOTOR MS OPEN CENTRUM - 50LIT
Beschrijving:
De manuele klep is direct op de hydraulische motor gemonteerd en dient om deze direct op de hydraulische motor te bedienen.
De klep hendel maakt het mogelijk om in en uit te schakelen, evenals de draairichting van de hydraulische motor te veranderen.
Klep 'OPEN CENTRUM'- In de neutrale positie draait de hydraulische motor niet. Het wordt niet hydraulisch aangedreven, maar de as van de hydraulische motor kan draaien met zijn eigen inertie of de inertie van de last.
Het wordt het meest gebruikt in toepassingen waar we willen dat de aandrijving stopt met de inertie van de last of de mogelijkheid hebben van zelfrotatie van de aandrijving - hydraulische motor.
Klep 'GESLOTEN CENTRUM'- In de neutrale positie draait de hydraulische motor, wat betekent dat de inertie van de last het ook niet kan draaien.
Het wordt het meest gebruikt in toepassingen waar we willen dat de aandrijving onmiddellijk stopt en stil blijft staan nadat de aandrijving - hydraulische motor is uitgeschakeld.






