Nieuwe artikelen
TANDWIELKAST GR.3 -1:3.8 VROUWELIJK OP PIN
Code:
10132
OEM:
9990000000678
BTW-tarief
22 %
Prijs exclusief BTW:
118,85 EUR
Prijs inclusief BTW:
145,00 EUR
Ref:
43
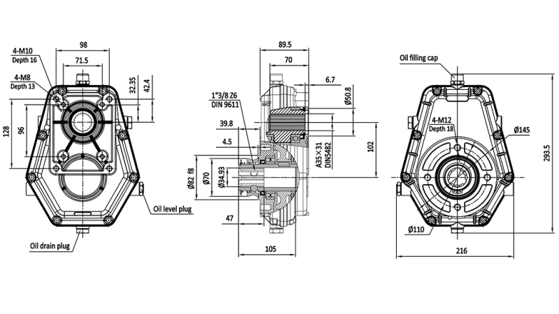
Gebruik
De tandwielkast wordt gebruikt om de omwentelingen van de tandwielpomp te verhogen en daardoor de doorstroming van de pomp zelf te vergroten.
Ze worden het meest gebruikt voor houtversnipperaars, tractorladers en andere tractoraccessoires.
In principe is er een mannelijke versie met een aansluiting via een cardan en een vrouwelijke versie met een pin voor directe installatie op de cardan van de tractor.

Leverancier:
Italië
Retour of ruil:
14 dagen
Aansluiting:
vrouwelijk - 1" 3/8
Omwentelingen:
max. 3000 tpm
Ingangsmoment:
43.7 daNm
Koppel:
11,5 daNm
Productgewicht:
8,1 kg
Ingang RPM:
540 tpm
Output RPM:
2057 t/min
Overbrengingsverhouding:
1:3.8
Garantie:
6 maanden
Voor belastingen:
20 kW










