Nieuwe artikelen
MULTIPLICATOR GR.3 - 1:3 - MANNELIJKE KOPPELING (INGANG) / MANNELIJKE KOPPELING (UITGANG)
| Technische informatie | |
| Leverancier: | China |
| Retour of ruilen: | 14 dagen |
| Garantie: | 6 maanden |
| Tandwielverhouding: | 1:3 |
| Voor hydraulische pompen: | GR. 3 |
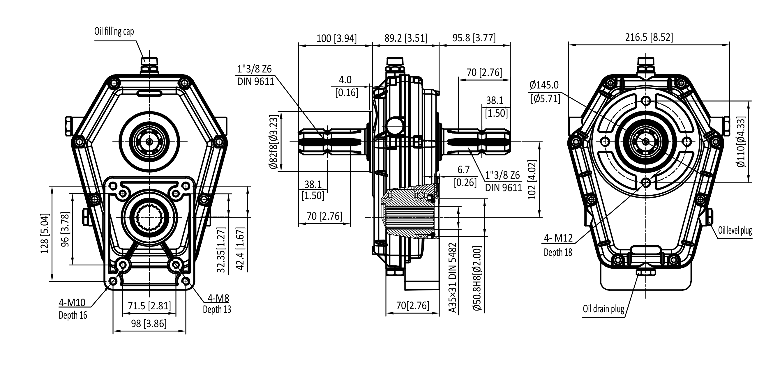
| Aansluiting: | PTO-as aan beide zijden - 1" 3/8 – 6 splines (mannelijk) |
| Invoersnelheid: | 540 rpm |
| Invoerdraaimoment: | 49 daNm |
| Uitvoersnelheid: | 1620 rpm (max. 3000 rpm) |
| Uitvoerdraaimoment: | 16 daNm |
| Belasting: | tot 20 kW |
| Productgewicht: | 8,3 kg |
| Tandwiel smeermiddel: | SAE 90 olie |
AFMETINGEN

GEBRUIKSAANWIJZING
1. Bestemd gebruik
De tandwielkast is een mechanische transmissie die de rotatiesnelheid van de uitgaande as verhoogt en de werking van een hydraulische tandwielpomp mogelijk maakt via de PTO-as van de tractor.
Het wordt gebruikt voor het aandrijven van:
- hydraulische krachtstations,
- bosbouw lieren,
- houtkloofmachines,
- andere hydraulische apparatuur.
2. Installatiepositie
De tandwielkast moet in de juiste bedieningspositie worden geïnstalleerd om een goede smering van de tandwielen te garanderen. Een horizontale installatie wordt aanbevolen, dus de pomp en tandwielkast moeten horizontaal worden uitgelijnd.
Belangrijk:
- de tandwielkast moet altijd zodanig worden geïnstalleerd dat de olie binnenin de behuizing in contact is met de tandwielaandrijving,
- langdurige werking in een omgekeerde positie is niet toegestaan,
- de tandwielkast moet mechanisch worden ondersteund (mag niet alleen aan de PTO-as hangen).
3. Draairichting
Controleer voor installatie de draairichting van de PTO-as en de vereiste draairichting van de hydraulische pomp.
Een verkeerde draairichting kan pompschade, afdichtingsproblemen en slechte oliecirculatie veroorzaken.
4. Olie smering
De tandwielkast moet continu worden gesmeerd met olie binnenin de behuizing om een goede werking van de tandwielen te waarborgen. Het aanbevolen smeermiddel is tandwielolie SAE 90.
De tandwielkast moet worden gevuld met olie tot het controle-niveau.
Verwijder voor het eerste gebruik de vulbout, vul het apparaat met olie tot aan de niveauaanduiding en sluit de vulbout.
Controleer voor elk gebruik het oliepeil. De eerste olieverversing wordt aanbevolen na 50 bedrijfsuren en daarna elke 1500 bedrijfsuren of eenmaal per jaar.
5. Bedrijfstemperatuur
De normale bedrijfstemperatuur van de behuizing van de tandwielkast ligt tussen 50 en 80°C. Als deze hoger is dan 90°C, controleer dan het oliepeil, de belasting en de uitlijning.
6. Onderhoud en mogelijke problemen
| Probleem | Mogelijke oorzaak | Oplossing |
| Oververhitting | Onvoldoende oliepeil | Controleer oliepeil |
| Geluid | Versleten lagers | Service uitvoeren |
| Trillingen | Verkeerde uitlijning | Controleer installatie |
| Olielekkage | Beschadigde afdichting | Vervang afdichting |









